Как рассчитать силу тока в цепи постоянного тока? (1)
Электродинамика. Постоянный электрический ток: Расчёт электрических цепей постоянного тока. Задание на расчёт силы тока (1)
Научитесь определять силу тока в электрической цепи постоянного тока, используя закон Ома и принципы расчета сложных цепей. В статье объясняется, как учитывать сопротивление различных участков цепи, параллельные и последовательные соединения, а также влияние внутреннего сопротивления источника тока. Мы разберем задачу с подробным решением, чтобы показать, как применять основные формулы для расчета силы тока в разных типах цепей. Этот материал поможет вам успешно освоить основы электрических цепей и справиться с физическими задачами
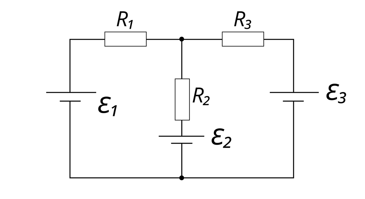
Рассчитай значение силы тока на сопротивлении R₃, учитывая физические характеристики электрической цепи: ε₁=ε₂=ε₃, R₁=24 Ом, R₂=4 Ом, R₃=8 Ом, падение напряжения на сопротивлении R₂=96 В.
Изобразим направления обхода контуров и сил токов на их участках
Запишем второе уравнение Кирхгофа для контура ECDF. Так как ЭДС равны, преобразуем его
В правой части формулы — падение напряжения на сопротивлении R₂. Выразим искомую силу тока, учитывая это
Таким образом, половина данных в задаче здесь не понадобилась. Рассчитаем ответ
